Adapter-flens

3080-9104-20-00

Adapter-flens

  • Voor stekkerwand

Productomschrijving

Voor een passende reducering van de overeenkomstige connectoren.

De montage volgt op de voorgestanste uitsparingen.

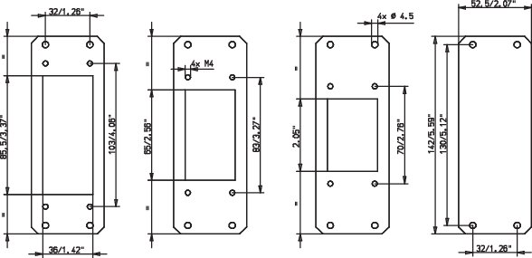
Technische gegevens

  • Artikelnummer: 3080-9104-20-00
  • Uitvoering: 24 op 10 pol.
  • Oppervlakte: verzinkt
  • Materiaal: plaatstaal 2 mm
  • 1 st. met dichting
Stekkerwanden
0396-0018-41-52
Stekkerwanden
Passend voor diepte
400 mm
Passend voor hoogte
1800 mm
Stekkerwanden
0396-0018-51-52
Stekkerwanden
Passend voor diepte
500 mm
Passend voor hoogte
1800 mm
Stekkerwanden
0396-0018-61-52
Stekkerwanden
Passend voor diepte
600 mm
Passend voor hoogte
1800 mm
Stekkerwanden
0396-0020-41-52
Stekkerwanden
Passend voor diepte
400 mm
Passend voor hoogte
2000 mm
Stekkerwanden
0396-0020-51-52
Stekkerwanden
Passend voor diepte
500 mm
Passend voor hoogte
2000 mm
Stekkerwanden
0396-0020-61-52
Stekkerwanden
Passend voor diepte
600 mm
Passend voor hoogte
2000 mm
CAD-data en andere visualisaties:
Opslaan als PDF Opslaan als PDF Directe vraag
Adapter-flens
Adapter-flens
Voor een passende reducering van de overeenkomstige connectoren.
De montage volgt op de voorgestanste uitsparingen.


Contact
Vind je persoonlijke contactpersoon
We zijn er voor jou

Geoptimaliseerde behuizingen en kasten worden niet aan de lopende band gemaakt, maar in samenspraak met u. Bent u er klaar voor?
Spreek dan meteen met uw persoonlijke häwa adviseur. 

Kies nu een adviseur

Empfangsmitarbeiterin Frau Sproll. Empfangsmitarbeiterin Frau Sproll.