
1208-1300-20-00
Profielrails
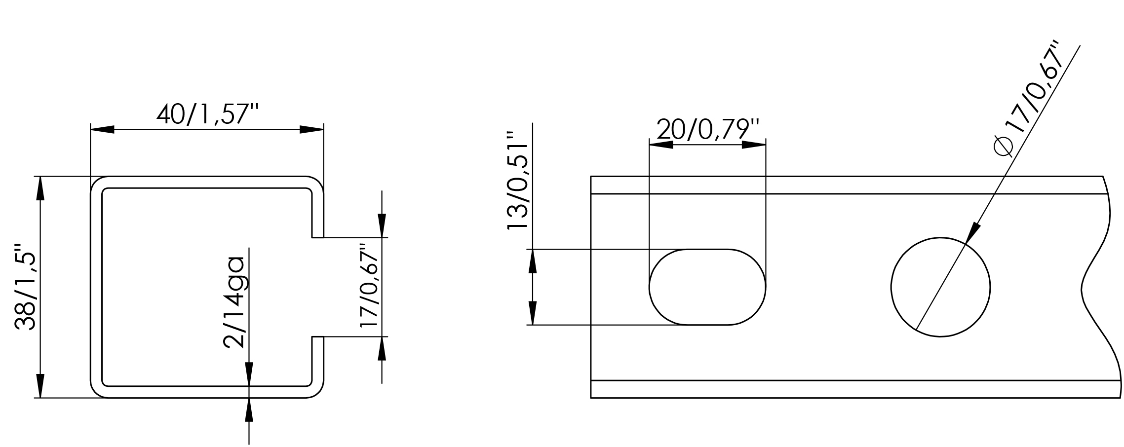
Productomschrijving
Kan als ondersteuning of dwarsbalk gebruikt worden.
Technische gegevens
-
Artikelnummer: 1208-1300-20-00
-
Gewicht: 3.7 kg
-
Afmeting: L = 2 000 mm
-
Materiaal: Plaatstaal
- 1 profielrails
CAD-data en andere visualisaties:
Contact
Vind je persoonlijke contactpersoon
We zijn er voor jou
Geoptimaliseerde behuizingen en kasten worden niet aan de lopende band gemaakt, maar in samenspraak met u. Bent u er klaar voor?
Spreek dan meteen met uw persoonlijke häwa adviseur.

